日期:2019-06-03 17:15:25
点击:

|
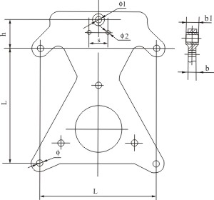
天恒型号
|
主要尺寸(mm)
|
标称破坏
荷重(kN) |
重量(kg)
|
|||||||
|
b
|
b1
|
h
|
Φ
|
Φ1
|
Φ2
|
L
|
S
|
|||
|
LX-1645
|
18
|
18
|
95
|
20
|
26
|
18
|
450
|
80
|
160
|
26.0
|
|
LX-2145
|
18
|
26
|
95
|
18
|
30
|
-
|
450
|
-
|
210
|
20.0
|
|
LX-2545
|
18
|
30
|
95
|
20
|
33
|
18
|
450
|
80
|
250
|
25.5
|
|
LX-3045
|
18
|
32
|
95
|
24
|
39
|
14
|
450
|
80
|
300
|
27.1
|
|
LX-3245
|
18
|
32
|
95
|
20
|
39
|
-
|
450
|
-
|
320
|
27.4
|
|
LX-4245
|
22
|
22
|
100
|
22
|
39
|
18
|
450
|
60
|
420
|
35.4
|
|
LX-1645A
|
18
|
18
|
95
|
20
|
26
|
18
|
450
|
80
|
160
|
26.0
|
|
LX-2145S
|
16
|
20
|
95
|
18
|
26
|
18
|
450
|
80
|
210
|
21.3
|
|
LX-2150S
|
16
|
20
|
95
|
18
|
26
|
18
|
500
|
80
|
210
|
25.5
|
|
LX-3250S
|
18
|
28
|
95
|
20
|
33
|
18
|
500
|
80
|
320
|
29.0
|
|
LX-4250S
|
18
|
32
|
95
|
20
|
39
|
18
|
500
|
80
|
420
|
29.0
|
|
LX-6450S
|
18
|
36
|
95
|
20
|
45
|
18
|
500
|
80
|
640
|
30.5
|
根据GB/T5075-2001 标准《电力金具名词术语》定义:电力金具,是连接和组合电力系统中的各类装置,起到传递机械负荷、电气负荷及某种防护作用的金属附件。
电力金具分类:
1、按作用及结构可分为悬垂线夹、耐张线夹、连接金具、接续金具、保护金具、设备线夹、T型线夹、母线金具、拉线金具等类别;按用途可用为线路金具和变电金具。
2、按电力金具产品单元划分为可锻铸铁类、锻压类、铝铜铝类和铸铁类,共四个单元。
3、还可分为国标与非国标
按金具的主要性能和用途,金具大致可分为以下几类
1)、悬吊金具,又称支持金具或悬垂线夹。这种金具主要用来悬挂导线绝缘 子串上(多用于直线杆塔)及悬挂跳线于绝缘子串上。
2)、锚固金具,又称紧固金具或耐线线夹。这种金具主要用来紧固导线的终端,使其固定在耐线绝缘子串上,也用于避雷线终端的固定及拉线的锚固。锚固金具承担导线、避雷线的全部张力,有的锚固金具变作为导电体
3)、连接金具,又称挂线零件。这种金具用于绝缘子连接成串及金具与金具的连接。它承受机械载荷。
4)、接续金具。这种金具专用于接续各种裸导线、避雷线。接续承担与导线相同的电气负荷,大部分接续金具承担导线或避雷线的全部张力。
5)、防护金具。这种金具用于保护导线、绝缘子等,如保护绝缘子用的均压环,防止绝缘子串上拔用的重锤及防止导线振动用的防振锤、护线条等
6)、接触金具。这种金具用于硬母线、软母线与电气设备的出线端子相连接,导线的T接及不承力的并线连接等,这些连接处是电气接触。因此,要求接触金具的较高的导电性能和接触稳定性。
7)、固定金具,亦称电厂金具或大电流母线金具。这种金具用于配电装置中的各种硬母线或软母线与支柱绝缘子的固定、连接等,大部分固定金具不作为导电体,仅起固定、支持和悬吊的作用。但由于这些金具是用于大电流,故所有元件均应无磁滞损失。
TAG标签:
联板(LX型)