日期:2018-09-27 11:13:50
点击:







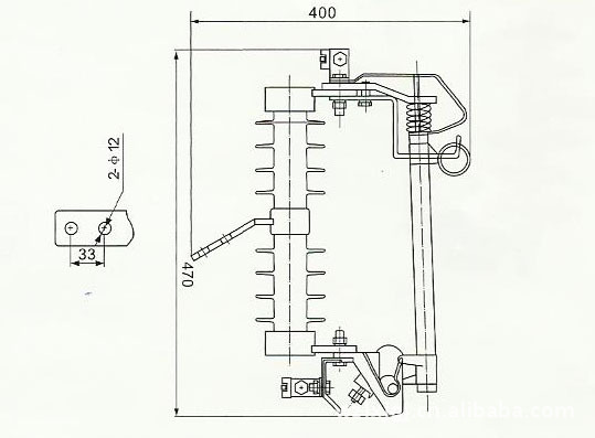
HRW12-10/100A,交流熔断器静触头安装在绝缘支架两端HRW12-10/100A,交流熔断器
概述:
跌落式熔断器是配电线路分支线和配电变压器常见的一种短路保护开关。它具有经济、操作方便、适应户外环境性强等特点,被广泛应用于配电线路和配电变压器一次侧作为保护和进行设备投、切操作之用。安装在配电线路分支上,可缩小停电范围。因其有一个明显的断开点,具有了隔离开关的功能,给检修线路和设备创造了一个安全作业环境,增加了检修人员的安全性。带拉负荷的跌落式熔断器,还配有弹性辅助触头和灭弧罩,用以分合额定负荷电流。
一、用途
HRW12-10/100A,交流熔断器保证具有较强防腐性能HRW12-10/100A,交流熔断器跌落式熔断器及拉负荷跌落式熔断器是户外高压保护电器,它装配在配电变压器高压侧或配电线支干线路上,作输电线路、电力变压器过载和短路保护及分合额定负荷电流之用。
跌落式熔断器是配电线路分支线和配电变压器***常用的一种短路保护开关,它具有经济、操作方便、适应户外环境性强等特点,被广泛应用于35kV配电线路和配电变压器一次侧作为保护和进行设备投、切操作之用。它安装在35kV配电线路分支线上,可缩小停电范围,因其有一个明显的断开点,具备了隔离开关的功能,给检修段线路和设备创造了一个安全作业环境,增加了检修人员的安全感。安装在配电变压器上,可以作为配电变压器的主保护,所以,在35kV配电线路和配电变压器中得到了普及。
二、结构简介
跌落式熔断器由绝缘支架和熔丝管两大部分组成,静触头安装在绝缘支架的两端,动触头安装在熔丝管的两端,熔丝管由内层的消弧管和外层环氧玻璃管组成。拉负荷跌落式熔断
器增加弹性辅助头及灭弧罩,用以分、合负荷电流。跌落式熔断器在正常运行时,熔丝管借助熔丝张紧后形成闭合位置。当系统发生故障时,故障电流使熔丝迅速熔断,并形成电弧,消弧管受电弧灼热,分解出大量的气体,使管内形成很高压力,并沿管道形成纵吹,电弧被迅速拉长而熄灭。熔丝熔断后,下部动触头失去张力而下翻,锁紧机构释放熔丝管,熔丝管跌落,形成明显的开断位置。当需要要拉负荷时,用绝缘杆拉开动触头,此时主动、静助触头仍然接触,继续用绝缘杆拉动触头,辅助触头也分离,在辅助触头之间产生
电弧,电弧在灭弧罩狭缝中被拉长,同时灭弧罩产生气体,在电流过零时,将电弧熄灭。
三、熔丝的选择
熔丝的选择应能保证配电变压器内部或高、低压出线套管发生短路时能迅速熔断。实践中常按以下原则选择:配电变压器容量为160kVA以下的,熔丝按变压器额定电流的2~3倍来选;配电变压器容量为160kVA及以上的,按1.5~2倍选择。熔丝的选择还必需考虑熔丝的熔断特性能否与上级保护时间相配合,这是决定采用熔丝保护能否生效的关键问题。配电线路的速断保护动作时间很短,约为0.1s左右。根据熔丝的特性曲线,在0.1s内使熔丝熔断的电流应不小于额定电流的20倍。这一数据是保证熔丝与首端断路器配合的必要条件。
四、使用条件
1、适用于户外
2、环境温度:-40℃~40℃;
3、海拔不超过1200m;
4、风速不大于35m/s;
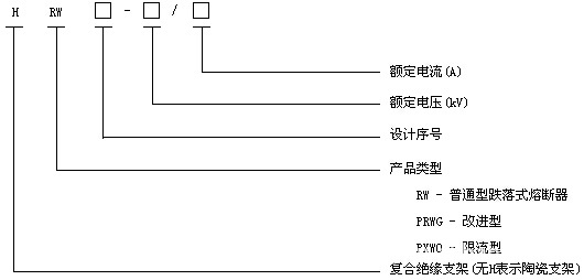
五、型号说明

六、主要技术参数




TAG标签: