日期:2019-09-19 10:35:58
点击:

|
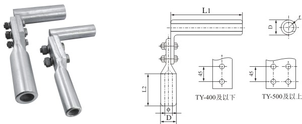
天恒型号
|
适用导线型号
|
主要尺寸(mm)
|
重量(kg)
|
||||
|
L
|
L1
|
D
|
r
|
Φ
|
|||
|
TY-95/15
|
LGJ-95/15
|
115
|
80
|
26
|
7.5
|
15.0
|
0.9
|
|
TY-120/7
|
LGJ-120/7
|
115
|
80
|
26
|
8.0
|
16.0
|
0.6
|
|
TY-120/25
|
LGJ-120/25
|
115
|
80
|
26
|
8.5
|
16.9
|
1.0
|
|
TY-150/8
|
LGJ-150/8
|
125
|
90
|
30
|
9.0
|
17.5
|
1.0
|
|
TY-150/20
|
LGJ-150/20
|
125
|
90
|
30
|
9.0
|
18.0
|
1.1
|
|
TY-150/25
|
LGJ-150/25
|
125
|
90
|
30
|
9.3
|
18.5
|
1.0
|
|
TY-185/10
|
LGJ-185/10
|
125
|
90
|
32
|
10.5
|
19.5
|
1.1
|
|
TY-185/25
|
LGJ-185/25
|
125
|
90
|
32
|
10.5
|
20.5
|
1.2
|
|
TY-210/10
|
LGJ-210/10
|
135
|
100
|
34
|
10.3
|
20.5
|
1.4
|
|
TY-210/25
|
LGJ-210/25
|
135
|
100
|
34
|
10.8
|
21.5
|
1.4
|
|
TY-240/30
|
LGJ-240/30
|
135
|
100
|
36
|
11.5
|
23.0
|
1.4
|
|
TY-300/15
|
LGJ-300/15
|
145
|
110
|
40
|
12.3
|
24.5
|
1.4
|
|
TY-300/20
|
LGJ-300/20
|
145
|
110
|
40
|
12.5
|
25.0
|
1.6
|
|
TY-300/25
|
LGJ-300/25
|
145
|
110
|
40
|
12.8
|
25.5
|
1.7
|
|
TY-300/40
|
LGJ-300/40
|
145
|
110
|
40
|
12.8
|
25.5
|
1.7
|
|
TY-400/20
|
LGJ-400/20
|
155
|
120
|
45
|
14.3
|
28.5
|
1.8
|
|
TY-400/25
|
LGJ-400/25
|
155
|
120
|
45
|
14.3
|
28.5
|
1.8
|
|
TY-400/35
|
LGJ-400/35
|
155
|
120
|
45
|
14.3
|
28.5
|
1.9
|
|
TY-400/50
|
LGJ-400/50
|
155
|
120
|
45
|
15.8
|
29.5
|
1.9
|
|
TY-500/35
|
LGJ-500/35
|
165
|
130
|
52
|
15.8
|
31.5
|
2.6
|
|
TY-500/45
|
LGJ-500/45
|
165
|
130
|
52
|
16.3
|
31.5
|
2.6
|
|
TY-500/65
|
LGJ-500/65
|
165
|
130
|
52
|
17.8
|
32.5
|
2.7
|
|
TY-630/45
|
LGJ-630/45
|
185
|
150
|
60
|
18.0
|
35.5
|
3.1
|
|
TY-630/55
|
LGJ-630/55
|
185
|
150
|
60
|
18.0
|
36.0
|
3.4
|
|
TY-630/80
|
LGJ-630/80
|
185
|
150
|
60
|
18.0
|
36.5
|
4.2
|
|
TY-800/55
|
LGJ-800/55
|
210
|
170
|
65
|
20.0
|
40.0
|
5.5
|
|
TY-800/70
|
LGJ-800/70
|
210
|
170
|
65
|
20.3
|
40.5
|
5.5
|
|
TY-800/100
|
LGJ-800/100
|
210
|
170
|
65
|
20.3
|
40.5
|
5.5
|
TAG标签: